New Holland 88-94 Fiat Tractor Parts Catalog Manual Instant PDF
New Holland 88-94 Fiat Tractor Parts Catalog Manual Instant PDF
⭐⭐⭐⭐⭐ 50+ Reviews
Couldn't load pickup availability
Get Complete New Holland 88-94 Fiat Tractor Parts Catalog Manual Instant PDF
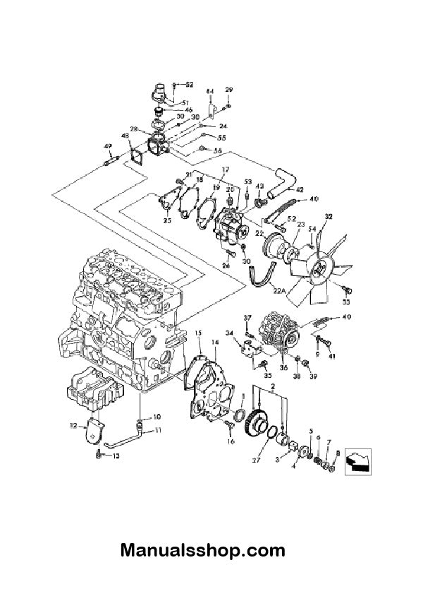
This official, high-quality New Holland 88-94 Fiat Parts diagram Manual is the perfect resource for operators, technicians, and DIY mechanics who need to identify, source, and replace components for their Tractor, ensuring fast and accurate maintenance without relying on costly dealership services. This documentation is also commonly referred to as the New Holland equipment parts book, spare parts diagram guide, or repair parts catalog.
This official, instant PDF parts guide manual providing detailed exploded-view diagrams, accurate OEM part numbers, and specifications. It is an essential resource for operators, mechanics, and DIY users for fast, accurate component identification, sourcing, and replacement across all major systems, including engine, fuel, hydraulic, and electrical components. The document is fully searchable, printable, and instantly available after purchase.
What's Manual Contents Include:
- Engine Components
- Fuel System Parts
- Electrical System Component
- Steering System Parts
- Brake System Part
- Hydraulic System Components
- Cooling and Lubrication System Parts
- Frame and Body Components
- And many more
Format and Features:
- Format: PDF (Digital Download – Instant Access)
- Language: English
- Fully searchable and printable for easy use
- Compatible with all devices: PC, Mac, tablets, and smartphones
- Includes detailed exploded view diagrams, OEM part numbers
- Easy-to-navigate layout with clickable chapters and bookmarks
Why Choose This Manual?
- Save time and money with accurate part identification and sourcing
- Trusted by professional mechanics and New Holland Tractor owners across the USA, Canada, Australia, and worldwide
- Comprehensive part listings, repair diagrams, and part references ensure you order the correct components
- No waiting or shipping—instant PDF download after secure checkout
This comprehensive catalog includes detailed parts diagrams, exploded views, and accurate component listings for easy identification and ordering. Perfect for maintenance, repairs, and part replacements, this official manual ensures precision and reliability.
Get your official New Holland 88-94 Fiat Parts Catalog Manual Instant PDF now and access everything you need for efficient part identification, maintenance, and replacement.
Trusted Customer Reviews
- "This manual helped me confirm the right OEM part numbers. It cut my research time in half and stopped me from ordering the wrong component." - Mark T., Mechanic, USA
- "The exploded diagrams are extremely clear and well-indexed. Made a complicated hydraulic system tear-down much less stressful." - David S., Farm Owner, Canada
- "The instant download feature was great. I had the parts book on my tablet in the workshop in minutes. Exactly as advertised." - Ben K., Operator, Australia
Frequently Asked Questions (FAQ)
Q: Is this an official spare parts diagram catalog?
A: Yes, this is an official parts catalog sourced from trusted professionals. It contains verified data necessary to find OEM New Holland part numbers and schematics.
Q: Does this Documentation include part numbers and diagrams for major components of my New Holland machinery?
A: Absolutely. This Parts Catalog provides accurate part numbers and exploded view diagrams for all major systems, including the engine, hydraulic system, final drive, cooling, and undercarriage components.
Q: Can I use this Pdf Manual on my mobile device?
A: Yes, the PDF is fully compatible with smartphones, tablets, PCs, and Macs for easy access in the workshop or field.
Q: Is the manual printable?
A: Yes, it’s fully printable and ideal for use in service bays or during equipment maintenance.
Q: How soon will I receive the Pdf after purchase?
A: Instantly. A download link will be sent to your email after secure checkout.
Q: What if I have download problems?
A: Our 24/7 support team is ready to assist—just email us at Manualsshop4u@gmail.com
Q: Can I get a refund if the catalog is incorrect?
A: Absolutely. If the catalog doesn’t match the product description, you’re eligible for a full refund.

Frequently asked questions (FAQ)
Q: How soon can I download my manual?
A: Immediately after your purchase and payment confirmation, you get instant Download Link to your Email —no shipping delays.
Q: Can I print the manuals?
A: Yes, manuals are printable PDFs so you can print entire manuals or specific pages as needed.
Q: Are these manuals official and accurate?
A: Yes. Our manuals are sourced from manufacturers or authorized distributors and verified for accuracy.
Q: What if I have trouble downloading?
A: Our customer support team is ready to assist you quickly via our support page.