Bobcat T250 Compact Track Loader Parts Catalog Manual Instant PDF
Bobcat T250 Compact Track Loader Parts Catalog Manual Instant PDF
⭐⭐⭐⭐⭐ 50+ Reviews
Couldn't load pickup availability

Complete Get Bobcat T250 Compact Track Loader Parts Catalog Manual Instant Download PDF
This official, high-quality Spare Parts Manual is the perfect resource for operators, technicians, and DIY mechanics who need to identify, source, and replace parts for their Bobcat heavy equipment, ensuring quick and accurate maintenance without relying on costly dealership services. This manual is also commonly known as the Bobcat machinery parts book or spare parts diagram manual.
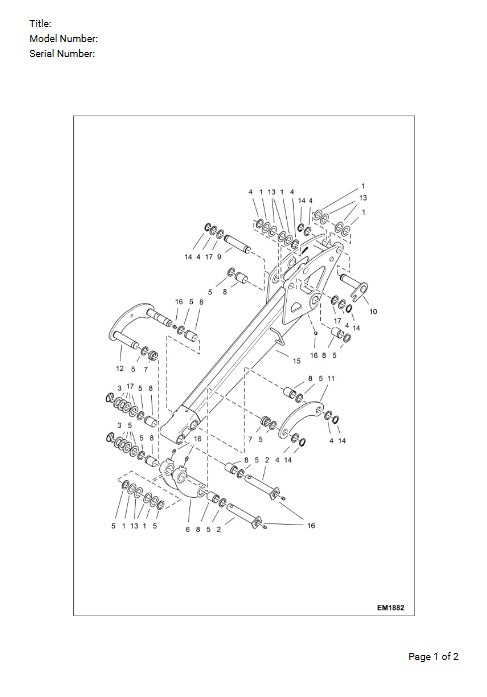
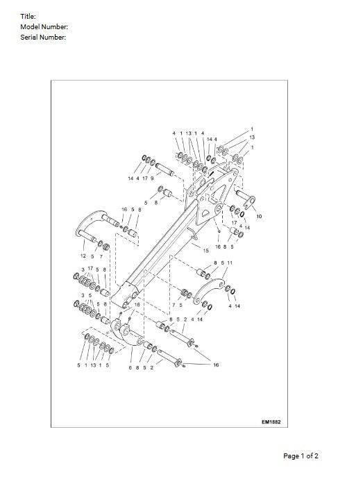
This Parts Catalog provides detailed part lists, exploded diagrams, part numbers, and specifications for all major systems and components, making it easy to locate and order the correct parts for your machinery. Get instant access to all the essential part identification data you need.
Serial Number Covers:
- 523011001 & Above,
- 523111001 & Above,
- 525611001 & Above,
- 525711001 & Above
- 531811001 & Above,
- 531911001 & Above
- A5GS11001 & Above,
- A5GT11001 & Above
Manual Contents Include:
- Engine Components
- Fuel System Parts
- Electrical System Component
- Steering System Parts
- Brake System Part
- Hydraulic System Components
- Cooling and Lubrication System Parts
- Frame and Body Components
- And many more…
Format and Features:
- Format: PDF (Digital Download – Instant Access)
- Language: English
- Fully searchable and printable
- Compatible with all devices: PC, Mac, tablets, smartphones
- Includes detailed exploded view diagrams and part number references
- Easy navigation with clickable chapters and bookmarks
Why Choose This Manual?
- Save time and money with accurate part identification and sourcing
- Trusted by professional mechanics and Bobcat equipment owners across the USA, Canada, Australia, and worldwide
- Comprehensive part lists and diagrams ensure you order the correct components
- No waiting or shipping—instant download after purchase
Get your official Bobcat T250 Compact Track Loader Parts Catalog Manual PDF now and get instant access to everything you need for efficient part identification and replacement!
Frequently Asked Questions (FAQ)
Q: Is this an official spare parts diagram catalog?
A: Yes, this is an official catalog sourced from trusted professionals. It contains the data necessary to find OEM part numbers.
Q: Does this catalog include part numbers and diagrams for major components of my Bobcat Machinery?
A: Absolutely, This manual provides precise part numbers and detailed exploded view diagrams for all major systems, including the engine, hydraulic pump, final drive, and undercarriage components.
Q: Can I use this catalog on my mobile device?
A: Yes, the PDF is compatible with all devices, including smartphones, tablets, PCs, and Macs.
Q: Is the manual printable?
A: Yes, it is fully printable for use in the workshop or field.
Q: How soon will I receive the catalog after purchase?
A: Immediately. A download link will be sent to your email after secure checkout.
Q: What if I have download problems?
A: Our 24/7 support team is available to assist you right away—just email us at Manualsshop4u@gmail.com.
Q: Can I get a refund if the catalog is incorrect?
A: Absolutely. If the catalog does not match the product description, you will receive a full refund.



Frequently asked questions (FAQ)
Q: How soon can I download my manual?
A: Immediately after your purchase and payment confirmation, you get instant Download Link to your Email —no shipping delays.
Q: Can I print the manuals?
A: Yes, manuals are printable PDFs so you can print entire manuals or specific pages as needed.
Q: Are these manuals official and accurate?
A: Yes. Our manuals are sourced from manufacturers or authorized distributors and verified for accuracy.
Q: What if I have trouble downloading?
A: Our customer support team is ready to assist you quickly via our support page.